ADL928DA称重传感器
上一个:HA系列电阻应变片 下一个:ADL716A称重传感器
详情介绍

产品介绍

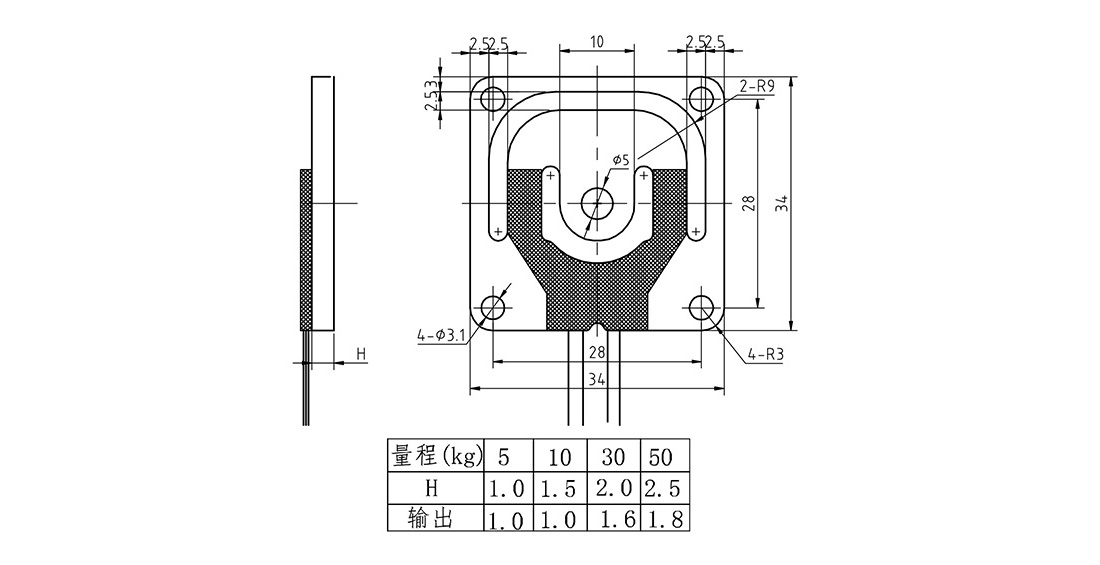
  • 艾德力ADL928DA称重传感器,铝合金结构、精度高、安装方便、长期稳定性好,结构紧密,采用自有工厂应变计匹配度高,使用寿命长。广泛用于称重测力,电子计价秤,包装秤,收银秤,无人售货机,无人售米计,各类自动化设备,称重设备。

  • 产品规格书

  • 额定载荷:见上表

  • 零点输出:±0.3mV/V

  • 输出灵敏度:见上表±0.2mV/V

  • 线性:0.05%F.S

  • 滞后:0.05%F.S

  • 重复性:0.05%F.S

  • 蠕变:0.05%F.S(3min)

  • 输出(入)阻抗:1000±10ohm

  • 使用温度:-10---+40°C

  • 四角误差:无

  • 零点温度漂移:0.1%F.S/10°C

  • 温度灵敏度漂移:0.1%F.S/10°C

  • 绝缘电阻:≥2000MΩ

  • 激励电压:5--10VDC

  • 极限过载:150%F.S

  • 综合精度:0.05%F.S

  • 东莞市艾德力电测技术有限公司 版权所有