
产品型号:ADL928DA
微型称重传感器主要由锰钢材质元件、电阻应变计、传输线组成用于一些通用型及民用性产品的压力测量与控制,
产品特点:
采用铝锰钢材质,无色阳极化、传输线组成
具有精度高、寿命长、结构简单
结构简单、频响特性好
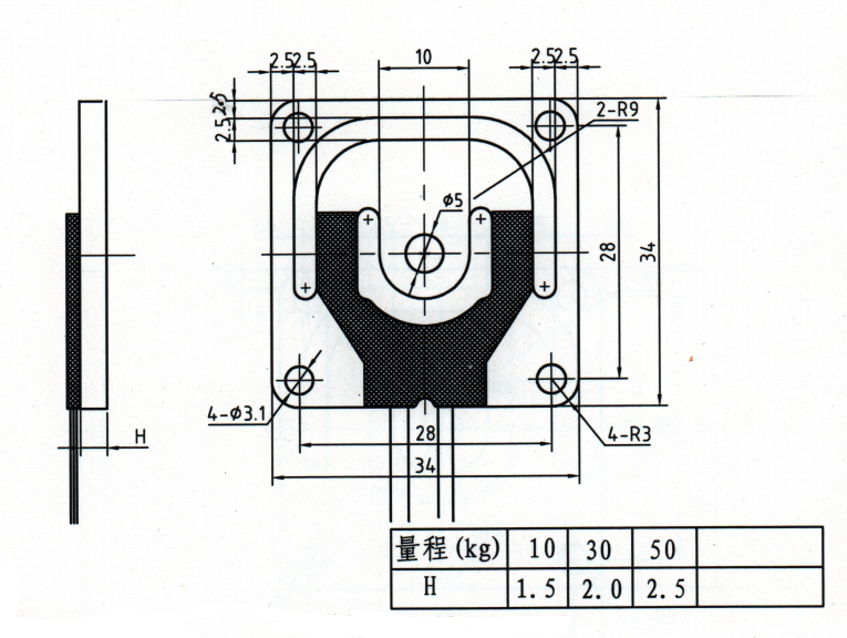
安装示意图:


产品应用:
· 适用于手掌秤、厨房秤、邮政秤
· 自动售卖柜称重
· 钓鱼秤、婴儿秤、宠物喂食器
· 工业自动化设备测力
技术参数: 规格参数Specifications 参数Specifications 技术指标/technique 量程Capacity 10kg、20kg、30kg 综合误差Comprehensive
error ±0.05 %F.S 精度等级Precision C1 灵敏度Rated Output 1.0±0.15mV/V 零点输出Zero Balance ±0.3 mV/V 非线性non Linearity ±0.05%F.S 滞后Hysteresis ±0.05 %F.S 重复性Repeatability ±0.05%F.S 蠕变Creep 0.05%F.S/3min 温度灵敏度漂移Temp Effect On
Output 0.1%F.S/10℃ 零点温度漂移Temp Effect On
Zero 0.1%F.S/10℃ 输入阻抗Input
Impedance 1000±10Ω 输出阻抗Output
Impedance 1000±10Ω 绝缘电阻Insulation ≥2000MΩ 推荐激励电压Recommended
Excitation 3-10V(DC) 温度补偿范围Compensated
Temp Range -10-40℃ 工作温度范围Operation Temp
Range -20-60℃ 安全过载Safe Overload 120%F.S 极限过载Ultimate
Overload 150%F.S 材料Materials 铝合金/Aluminum
Alloy 防护等级Defend grade IP65 外感器外形尺寸dimensions of
the sensor 34*34*H 安装孔尺寸Installation
hole dimensions 4-φ3.1 产品尺寸图: 接线方式:

